Paslanmaz Yaka – Endüstriyel Boru Hatları için Güvenilir Bağlantı Elemanı
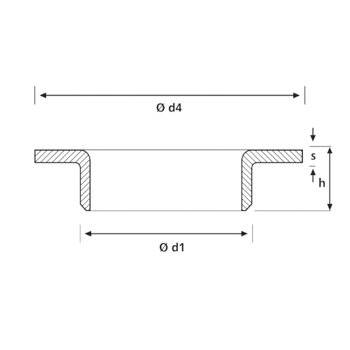
Paslanmaz flanş yaka, endüstriyel boru hatlarında flanş bağlantılarında kullanılan ve sızdırmaz, dayanıklı bir bağlantı sağlamak için tasarlanmış bir elemandır. Flanş ile boru arasında güçlü bir bağlantı noktası oluşturarak yüksek basınç ve sıcaklık koşullarında güvenli çalışma imkânı sunar.
Yüksek kaliteli AISI 304 / 316 paslanmaz çelikten üretilen flanş yakalar, korozyon direnci, uzun ömürlü kullanım ve kolay montaj özellikleri ile endüstriyel tesislerde yaygın olarak tercih edilir.
Öne Çıkan Özellikler
-
Malzeme: AISI 304 / 316 Paslanmaz Çelik
-
Tasarım: Yüksek mukavemetli ve sızdırmaz bağlantı yapısı
-
Bağlantı Tipi: Kaynaklı veya cıvatalı montaj uyumluluğu
-
Dayanıklılık: Yüksek basınç, sıcaklık ve korozyona karşı üstün direnç
-
Standartlar: DIN, ANSI veya ISO normlarına uygun üretim
Kullanım Alanları
-
Kimya ve petrokimya tesisleri
-
Enerji üretim ve dağıtım sistemleri
-
Su ve atık su arıtma hatları
-
Endüstriyel üretim ve proses tesisleri
Avantajları
-
Güvenli ve sızdırmaz bağlantı çözümü
-
Yüksek basınç ve sıcaklık dayanımı
-
Kolay montaj ve bakım avantajı
-
Farklı ölçü ve standartlara uygun üretim imkânı
Paslanmaz Yaka, endüstriyel boru hatlarında güvenilir, dayanıklı ve verimli bağlantılar için ideal bir çözümdür.








